Postup plnění primárního okruhu TČ země-voda „nemrznoucí“ kapalinou
Přehrát audio verzi
Postup plnění primárního okruhu TČ země-voda „nemrznoucí“ kapalinou
00:00
00:00
1x
- 0.25x
- 0.5x
- 0.75x
- 1x
- 1.25x
- 1.5x
- 2x
Při plnění primárního okruhu TČ země-voda nemrznoucí kapalinou je nutné zohlednit, že objem kapaliny bude při plnění okruhu vlivem teplotních změn menší než maximální a větší než minimální. Podmínky lze stanovit výpočtem.
Úvod
V článcích „Expanzní objem v primárním okruhu TČ země-voda a riziko imploze“ a „Návrh expanzní nádoby pro primární okruh TČ země-voda“ byly naznačeny základní podmínky pro vytvoření provozně bezpečného stavu v primárním okruhu TČ země-voda.
Odlišnosti od otopných soustav jsou dány teplotní objemovou roztažností konkrétní nemrznoucí kapaliny, která si liší od vlastností otopné vody, nižším rozsahem pracovních teplot a provozem i v podnulových teplotách.
Nelze pominout skutečnost, že otopné soustavy se plní vodou s teplotou nižší, než bude provozní. Poměry při plnění primárního okruhu TČ země-voda jsou však jiné. Nemrznoucí kapalina, kterou si firma na akci přiveze, může mít teplotu i nad 20 °C, typicky v létě, nebo i podnulovou teplotu v zimě. To znamená, že skutečný objem kapaliny při plnění okruhu může být vlivem různých teplot kapaliny různý. Určení, kolik litrů takové kapaliny je třeba do okruhu dodat, aby v něm byla dostatečná rezerva pokrývající zmenšení objemu kapaliny při provozním poklesu její teploty na nejnižší teplotu, pak není zřejmé. V praxi se to často řeší doporučením výrobce TČ. Lze však postupovat i na základě výpočtu.
Podmínky při plnění okruhu
V článku „Expanzní objem v primárním okruhu TČ země-voda a riziko imploze“ bylo upozorněno na skutečnost, že teplota nemrznoucí kapaliny při plnění okruhu bude s velkou pravděpodobností někde mezi nejvyšší střední provozní teplotou a nejnižší střední provozní teplotou kapaliny. Střední teplotou se zde míní průměr mezi teplotou, se kterou kapalina vystupuje z tepelného čerpadla a teplotou, se kterou se do tepelného čerpadla vrací, když z ní tepelné čerpadlo odebírá teplo. V případě cirkulace kapaliny při plnění okruhu budou obě uvedené teploty stejné, protože teplo není odebíráno. Tato teplota určuje, jak moc bude objem kapaliny při plnění okruhu ovlivněn teplotní roztažností kapaliny.
Plnění primárního okruhu podle doporučení výrobců
Obecně lze konstatovat, že v primárním okruhu TČ země-voda má být soustavou ventilů umožněno nejdříve naplnit jeho část mimo tepelné čerpadlo, tedy vrt, kolektor, propojovací potrubí aj. a přitom musí kapalina cirkulovat. To je nezbytné pro odplynění této části okruhu. Následně se plní zbytek okruhu, který má relativně menší objem, a i ten se při plnění musí odvzdušnit. Možné je samozřejmě provádět plnění celého okruhu současně. Vždy je však žádoucí cirkulující kapalinu filtrovat, neboť při zhotovování primárního okruhu do něj mohly vniknout mechanické nečistoty.

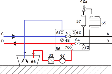
Obr. 1 Plnění primárního okruhu TČ země-voda může výrobce usnadnit. Zde ukázka řešení ve stavu skupiny ventilů pro plnění vnější části okruhu D-C s vrtem. Kapalinu odčerpává z plnicí vany (66) přes filtr (33) plnící čerpadlo (67). Když je tato část okruhu D-C naplněna, kapalina začne přetékat zpět do vany, kde lze vizuálně kontrolovat výskyt bublinek plynu. (Zdroj: Vaillant)
Detailně je postup plnění popsán například v návodu pro odborné firmy Installationsanleitung pro tepelná čerpadla Vaillant geoTHERM exclusiv.
Na obrázku 1 je vidět svisle umístěná expanzní nádoba (57). U výkonově malých TČ někteří výrobci používají průsvitné nádoby bez membrány, ve kterých je viditelná hladina kapaliny.
Řešení s průsvitnou expanzní nádobou umožňuje naplnit okruh na doporučený přetlak nemrznoucí kapaliny v rozsahu zpravidla 1,5 až 2 bar a přitom řízením přetlaku na straně plynu zajistit, aby hladina kapaliny v expanzní nádobě při požadovaném tlaku kapaliny byla v úrovni cca 2/3 objemu nádoby (doporučení Vaillant). Existují i jiná doporučení. Například se doporučuje natlakovat plynovou stranu expanzní nádoby na přetlak 1,2 bar a následně doplnit kapalinu tak, aby přetlak v okruhu dosáhl 1,5 bar.
Plnění okruhu na základě výpočtu
Při plnění okruhu kapalinou se musí zajistit odplynění, a to vyžaduje cirkulaci kapaliny v okruhu. Při cirkulaci se teplota kapaliny v okruhu stabilizuje s ohledem na teplotní podmínky v okolí vrtu, kolektoru a tuto teplotu budeme považovat za výchozí, tedy teplotu kapaliny při plnění tp. Nezáleží na tom, jakou teplotu má kapalina, kterou si instalační firma přiveze na stavbu. Přivezená kapalina může mít teplotu vyšší, ale i nižší, než na jaké se ustálí.
Je třeba určit vodní objem primárního okruhu V [litr]. To lze provést výpočtem z rozměrových parametrů okruhu. Jinou cestou je odečítat objem nemrznoucí kapaliny při plnění okruhu, s čímž je však zpravidla vždy spojena změna teploty kapaliny, a tedy i jejího objemu. Tento postup nemusí být přesný a měl by být podložen přepočtem objemu kapaliny podle změny její teploty.
Pro postup založený na výpočtu je nutné určit koeficient teplotní roztažnosti konkrétní nemrznoucí kapaliny βkapalina. Tento koeficient není konstantní, s rostoucí teplotou roste, ale nemusí to být lineární, teplotě přímo úměrný růst. V případě velmi přesných výpočtů je nutné změny koeficientu zohlednit. Na obr. 2 je příklad tabulkového zpracování koeficientu pro směs vody a propylenglykolu TYFOCOR® L výrobce TYOFROP Chemie GmbH.
![Obr. 2 Koeficient objemové roztažnosti βkapalina [10⁻⁵·K⁻¹] pro směs vody a propylenglykolu TYFOCOR® L (Zdroj: TYOFROP Chemie GmbH.)](/docu/clanky/0295/029563o4.png)
Obr. 2 Koeficient objemové roztažnosti βkapalina [10−5·K−1] pro směs vody a propylenglykolu TYFOCOR® L (Zdroj: TYOFROP Chemie GmbH.)
K tabulce je připojen doporučený postup výpočtu změny původního objemu kapaliny V0 o objem ∆V:
Je založen na stanovení rozdílu provozních teplot t0 a t1, tedy
a využití koeficientu objemové roztažnosti ßstřed při střední teplotě kapaliny
Příklad 1
Určete, o kolik se zvětší objem 250 litrů nemrznoucí kapaliny TYFOCOR® L v rozsahu pracovních teplot −10 °C až +20 °C. Pak:
ts = −10 + 30/2 = 5 °C
Abychom měli jistotu, že nemrznoucí kapalina v primárním okruhu skutečně nezamrzne, zvolíme TYFOCOR® L například ve 40% koncentraci. Z tabulky pro tuto kapalinu a určenou střední teplotu vyplývá koeficient objemové roztažnosti mezi 45 až 49‧10−5·K−1.
Změna objemu kapaliny ∆V je
Neuděláme velkou chybu, pokud vezme průměrnou hodnotu zvětšení objemu kapaliny za daných podmínek o cca 3,5 litru.
V primárním okruhu
Provozní rozsah středních teplot nemrznoucí kapaliny ∆t je dán rozdílem nejvyšší uvažované střední provozní teploty kapaliny tv a nejnižší uvažované střední provozní teploty kapaliny tn a někde mezi nimi se nachází teplota kapaliny při plnění tp.
Při plnění primárního okruhu do něj nemůžeme dostat více kapaliny, než odpovídá fyzickému objemu okruhu V. Protože teplota kapaliny při plnění tp je vyšší než nejnižší střední provozní teplota tn, musí být při plnění okruhu část kapaliny o objemu Vp, jehož velikost závisí i na koeficientu objemové roztažnosti, vtlačena do expanzní nádoby, protože při poklesu teploty by v okruhu chyběla. Tento objem můžeme stanovit analogicky jako v příkladu 1.
Příklad 2
Mějme, například, primární okruh s vrtem 100 metrů a celkovým objemem V = 242 litrů, který je plněn nemrznoucí kapalinou tvořenou směsí vody a propylenglykolu TYFOCOR® L například ve 40% koncentraci. V okruhu uvažujeme s provozním rozsahem středních teplot kapaliny v mezích od +20 °C až −10 °C, tedy ∆t = 30 K, analogicky k příkladu 1. Přitom teplota nemrznoucí kapaliny se cirkulací v okruhu při jeho plnění ustálila na teplotě tp = 12 °C. Ve vztahu k teplotě plnění tp pak je:
ts = −10 + 22/2 = 1 °C
Koeficient teplotní roztažnost pro ßstřed pro teplotu 1 °C z tabulky obr. 2 je odhadem 45,5 × 10−5 K−1.
Tomu odpovídá zvětšení objemu kapaliny:
Při dané teplotě kapaliny tp by měl být v expanzní nádobě uložen expanzní objem cca 2,42 litrů. K němu je nutné připočíst vodní rezervu na zaplavení okruhu. V [1] se doporučuje volit vodní rezervu minimálně 3 litry nebo 0,5 % vodního objemu. Celkem tedy má při plnění být v expanzní nádobě 5,42 litru nemrznoucí kapaliny.
To lze dosáhnout například plným naplněním okruhu, ale s uzavřeným ventilem před expanzní nádobou a s nulovým přetlakem kapaliny v okruhu. Pak se ventil do expanzní nádoby otevře a do okruhu se vtlačí vypočtených 5,42 litru kapaliny.
Nyní musíme určit tlak plynu v expanzní nádobě, aby odpovídal podmínkám při teplotě plnění.
Výpočtem jsme stanovili, že v okruhu má být expanzní nádoba, například o objemu 12 litrů.
Při minimální střední povozní teplotě −10 °C má být v expanzní nádobě pojistný vodní objem 3 litry kapaliny, o něj se objem plynu v expanzní nádobě zmenší na
Návrh expanzní nádoby byl proveden například pro nejnižší dovolený absolutní tlak pd,dov,A = 1,5 bar. Podle Boyle-Mariottova zákona určíme součin objemu plynu a absolutního tlaku plynu, který v podmínkách primárního okruhu, ve správně instalované expanzní nádobě se změnou absolutní teploty plynu cca plus mínus 1 % můžeme považovat za konstantní:
Při teplotě plnění má být v expanzní nádobě 5,42 litrů kapaliny, na plyn zbývá
Tomu odpovídá absolutní tlak
To znamená přetlak plynu 1,05 bar. Tuto hodnotu je třeba na straně plynu v expanzní nádobě po naplnění okruhu dosáhnout.
Poznámka k přesnosti
Pokud by existovala možnost volit objem expanzní nádoby přesně podle výpočtu se zahrnutím závislosti teplotní objemové roztažnosti nemrznoucí kapaliny na její teplotě a i případné její byť malé stlačitelnosti, dále se zahrnutím změny absolutní teploty plynu v expanzní nádobě, změny fyzického objemu primárního okruhu v závislosti na změně teploty částí okruhu z různých materiálů atp., pak by mělo smysl absolutně přesný výpočet provádět. V praxi však máme na výběr jen z typizovaných objemů expanzních nádob, volíme proto nejbližší větší a navíc, při realizaci okruhu může dojít k drobným změnám, které přesný výpočet nemusí umět zohlednit. A proto jak návrh objemu expanzní nádoby, tak výše popsaný postup plnění primárního okruhu s využitím výpočtu v sobě obsahují určitá zjednodušení na straně bezpečnosti.
Závěr
Je pravděpodobné, že praxe, zvláště u systémů TČ země-voda s malými tepelnými výkony upřednostní postup plnění primárního okruhu podle doporučení výrobců.
Pokud půjde o rozsáhlé systémy s mnoha vrty a velkým objemem nemrznoucí kapaliny, tak bezpečným řešením je automaticky pracující zařízení udržující v okruhu požadovaný přetlak.
Plnění okruhu na základě výpočtu má obecnější charakter. Může být i pomůckou pro analýzu příčin provozních poruch v chodu tepelného čerpadla vyvolaných nedostatečným průtokem nemrznoucí kapaliny.
V případě, že provozovaná soustava s TČ země-voda bude doplněna o využití k chlazení nebo systémem pro tepelnou regeneraci vrtu, pak se tím změní teplotní poměry nemrznoucí kapaliny. Je nutné předem přepočítat, zda instalovaná expanzní nádoba má dostatečný objem a zda i množství kapaliny v okruhu bude změněným podmínkám vyhovovat. Vzhledem k předpokládatelnému zvýšení teploty kapaliny, a tedy i jejího objemu při chlazení v létě může dojít ke zvýšení tlaku v expanzní nádobě až nad mez pojistného ventilu a odpuštění části kapaliny. V zimě při vytápění a poklesu teploty kapaliny a jejího objemu pak může v okruhu vzniknout podtlak.
Setkal jsem se i s názorem, že případný vznik podtlaku v okruhu s příliš malou expanzní nádobou nebo vlivem chybného postupu plnění okruhu by mohl řešit automatický přivzdušňovací ventil. S takovým řešením nelze souhlasit.
Zdroje
- Návrh tlakové membránové expanzní nádoby podle ČSN EN 12828/2014. J. Bašta, TZB-info, 2020
- TYFOCOR® L. https://tyfo.de/downloads/TYFOCOR-L_de_TI.pdf
- TYFO -SPEZIAL. https://tyfo.de/downloads/TYFO-SPEZIAL_de_TI.pdf
When filling the primary circuit of a ground-to-water heat pump with antifreeze, it is necessary to take into account that the volume of liquid when filling the circuit will be less than the maximum and greater than the minimum due to temperature changes. The conditions can be determined by calculation.

