Jednofázové tepelné čerpadlo, ideální pro úsporné domy a byty bez technické místnosti
Přehrát audio verzi
Jednofázové tepelné čerpadlo, ideální pro úsporné domy a byty bez technické místnosti
00:00
00:00
1x
- 0.25x
- 0.5x
- 0.75x
- 1x
- 1.25x
- 1.5x
- 2x
Jednofázové tepelné čerpadlo Atlantic Synea DUO, dodávané na trh firmou Brilon a.s., je výhodné svým poměrem ceny k výkonu. Osvědčený paralelní bivalentní provoz se aktivuje až při teplotách pod −7 °C a je možný až do venkovní teploty −20 °C.
Úvod

Objektů, rodinných domů, bytů, kterým pro pokrytí tepelné ztráty postačí výkon 3 kW, 4 kW respektive 6 kW přibývá. V takto energeticky úsporném provedení se staví většina nových rodinných domů a stávající starší domy a byty se do něj dostávají po zateplení. Například i s využitím dotací v rámci programu Nová zelená úsporám NZÚ. Ve statistice žádostí z NZÚ je zřejmý trend směřující ke komplexnímu řešení. Tedy jak k zateplení, tak k instalaci tepelných čerpadel. Nejen pro úsporné domy, ale i byty je určeno splitové tepelné čerpadlo Atlantic Synea DUO vzduch-voda s chladivem R32.
Co umí tepelné čerpadlo Atlantic Synea DUO?
Nabízeny jsou varianty s topným výkonem 3 kW, 4 kW a 6 kW. Reverzní chod je možný, takže lze přepnout do režimu chlazení, pokud je na to připravena otopná soustava. Maximální doporučená výstupní teplota vody je 55 °C. Elektrickým dohřevem ji lze zvýšit až na 90 °C, pro fotovoltaiku jako zdroj elektřiny je předvoleno 70 °C.

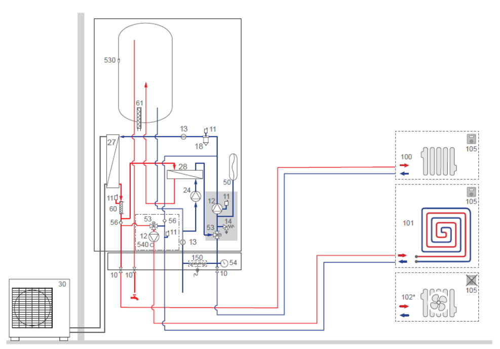
Obr. Na tepelné čerpadlo Synea DUO lze napojit otopnou soustavu s nízkoteplotními radiátory, podlahovým vytápěním nebo i dynamicky pracující konvektory či fan-coily s ventilátorem. Řídit lze dva různé okruhy.
Instalační výhodou je konstrukce vnitřní jednotky se zásobníkem pro ohřev vody složená ze tří částí, kterou lze umístit na stěnu, například nad pračku. Při instalaci se nejprve ke stěně upevní výškově nastavitelný rám, poté spodní část s hydraulikou a regulací a následně i zásobník.

Obr. Vnitřní jednotka se zásobníkem obsahuje vše potřebné, včetně magnetického filtru otopné vody chránícího výměník. Vnitřní stěna zásobníku je proti korozi chráněna keramickou vrstvou (email).
Základem řízení je ekvitermní regulace vytápění, kterou lze doplnit prostorovým programovatelným regulátorem i v bezdrátové verzi.
Hladina akustického výkonu venkovní jednotky 60 dB(A) při jejím obvyklém umístění u stěny domu plní již ve vzdálenosti 4 metry hygienický požadavek pro noční, snížený limit hluku.
Proč volit tepelné čerpadlo s paralelním bivalentním provozem?
Bez ohledu na klimatické výkyvy je množství dnů s extrémně nízkými teplotami během roku malé. Pokud se výkon tepelného čerpadla, bez bivalentního zdroje, dimenzuje na maximální tepelnou ztrátu domu, po většinu času během topné sezóny takové tepelné čerpadlo poběží na snížený až minimální výkon nebo bude dokonce cyklovat, tedy rychle přecházet ze stavu zapnuto do vypnuto. A to zkracuje jeho životnost, snižuje energetickou účinnost a vzhledem ke zbytečně vysokému výkonu vyžaduje i větší množství pracovní látky – chladiva.
Dlouhodobě je nejen teoreticky, ale i prakticky osvědčené dimenzovat výkon tepelného čerpadla tak, aby jeho výkon postačoval přibližně do venkovní teploty −7 °C a pod touto teplotou se výkon tepelného čerpadla doplňuje elektrickým dohřevem. Jak to funguje u tepelného čerpadla Synea DUO, je zřejmé z grafu.

Graf: Výkon tepelného čerpadla Synea DUO, vzduch-voda, s poklesem venkovní teploty klesá, zatímco tepelná ztráta domu roste. To je běžné pro všechna tepelná čerpadla vzduch-voda. V grafu je příklad poklesu, z cca 6,7 kW při teplotě 20 °C na 5,3 kW při −7 °C a provoz končí při výkonu 4,5 kW při teplotě −20 °C. Pokud výkon v konkrétních podmínkách není dostatečný, doplní ho elektrická topná spirála.
Výhodou tepelného čerpadla Synea DUO je, že může pracovat až do velmi nízké venkovní teploty −20 °C. Takže jen malou část tepla vyrábí přímotopně. V režimu již velmi chladné zimy, −7 °C/35 °C, pod kterým se případně připojuje bivalentní topná spirála, disponuje stále ještě vysokým topným faktorem 3,03 (3 kW), 2,94 (4 kW) a 2,73 (6 kW). V běžně uváděných podmínkách +7 °C/35 °C se topný faktor pohybuje i nad 5.
Využije tepelné čerpadlo Synea DUO dynamický tarif na spotřebu elektřiny?
Regulace je vybavena tak, aby byl provoz tepelného čerpadla blokován signálem HDO v době platnosti vysokého tarifu. Toto je ostatně základní předpoklad pro získání výhodnější ceny elektřiny pro provoz tepelného čerpadla. Nastavení provede technik při instalaci. Existují však i další možnosti. Například lze upřednostnit provoz tepelného čerpadla s elektřinou z fotovoltaické elektrárny, umožnit turbo rychlý ohřev vody, blokovat provoz tepelného čerpadla nebo doplňkových topných spirál podle priorit, například z hlediska času a tedy i podmínek dynamického tarifu, proudového zatížení jednotlivých fází elektrické přípojky aj.
Proč volit jednofázové tepelné čerpadlo Synea DUO?
I pro laika je zřejmé, že elektronika, která řídí činnost kompresoru a ventilátoru tepelného čerpadla jen z jedné fáze, doslova z běžné elektrické zásuvky, bude jednodušší, než když jsou ty fáze tři. A doslova na běžnou elektrickou zásuvku by mohlo být tepelné čerpadlo Synea DUO napojeno, neboť jmenovitý proud, který potřebuje venkovní jednotka, je 14,2 Ampér oproti 16 Ampér běžného zásuvkového obvodu. Pokud tepelné čerpadlo při poklesu venkovní teploty pod −7 °C nemá dostatečný výkon, začne ho doplňovat přímotopný elektrický zdroj tepla. Je to topná spirála s výkonem 3 000 W, která vyžaduje proud 13 Ampér a je připojena samostatným kabelem. Podobně, pro přípravu většího množství teplé vody a na vyšší teploty, je připravena doplňující elektrická spirála s výkonem 1 200 Watt vyžadující proud 5,2 Ampér, rovněž na samostatném kabelu.
Pokud majitel domu nechce z elektrické sítě nabíjet svůj elektromobil, může pro jeho domácnost se smart řízením provozu úsporných spotřebičů a s tepelným čerpadlem Atlantic Synea DUO vystačit elektrická přípojka 3× 16 Ampér s nízkým měsíčním paušálním poplatkem. Bohužel, provozovatelé českých elektrických sítí běžně neumožňují jednofázovou přípojku s kapacitou větší jako 25 Ampér, takže je nutné elektrickou zátěž rozložit do tří fází.
Jednofázové napájení tepelného čerpadla Synea DUO je však výhodné i z hlediska využití fotovoltaické elektrárny, která je v jednofázovém provedení jednodušší oproti třífázové a levnější.

